欢迎,访问上海宝凯电气/cm1塑壳式断路器,gw2,dw15万能式断路器厂家
服务热线:021-51619698
上一张 下一张
当前位置:首页>新闻资讯>技术应用

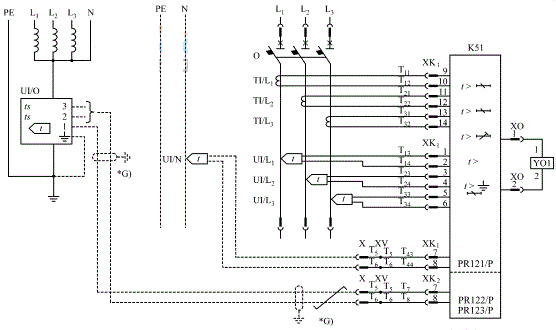
DW16-1600A万能断路器接线方法

发布时间:2018-09-17 浏览次数:2571

    DW16-1600A万能式断路器(以下简称断路器),二次接线图是用二次设备特定的图形符号和文字符号来表示二次设备相互连接情况的电气接线图

DW16-1600A万能断路器接线方法

    主要用于交流50Hz,额定电流100A至630A,额定工作电压为400V或690V的配电网络中,用来分配电能、保护线路和电源设备的过载、欠电压、短路。


    也可在交流50Hz、380V网络中用来保护电动机过载、欠电压和短路。在正常条件下可分别作为线路不频繁装换及电动机的不频繁启动之用。

    额定电流160A至630A的断路器也可作为变压器中性点直接接地的TN配电系统中单相金属性对地短路保护。

    智能断路器机构位于断路器正面。机构采用五连杆的自由脱扣器机构,并设计成贮能形式。智能断路器在使用过程中,机构总是处于预贮能位置,只要断路器一接到合闸命令,断路器就能立即瞬时闭合。


    预贮能的释放按钮或合闸电磁铁来完成。电动传动机构自成一体,贮能轴与主轴之间通过凹凸形楔口活动联结,装拆方便。

智能型万能式断路器用作电气设备或线路保护时,用户选型时主要有以下4点考虑:

(1)选用断路器的额定电流大于或等于线路或电气设备的额定电流

(2)选用断路器的额定短路分断能力(电流)大于或等于线路的预期(最大)短路电流

(3)选用断路器的保护功能相对完善全面,能满足其工作场合的要求;

(4)选用断路器的外形尺寸相对较小,节省空间,智能断路器便于在同一柜内可安装多台断路器。

新一篇:DW15-1600万能断路器外围接线图
旧一篇:没有了!
友情链接: 防爆箱 led防爆灯